Introduzione
In questo articolo e nel successivo, tratteremo circuiti elettrici semplici e complessi (reti), discutendone i principali metodi di soluzione. Si farà riferimento a reti lineari, costituite da bipoli le cui caratteristiche (R, L, C, E, I0) non dipendono dai valori di tensione e corrente.
Nella realtà le reti di distribuzione dell'energia, così come i circuiti elettronici, sono tutt'altro che lineari.
Ma uno studio in prima approssimazione ci permette di considerarli tali, senza incorrere in grossolani errori.
Risolvere una rete significa determinare il valore di ogni corrente e di ogni tensione.
Quando si conoscono gli elementi costitutivi ed i loro collegamenti, i due principi di Kirchhoff forniscono il numero di equazioni necessario.
Essi saranno enunciati per grandezze variabili nel tempo, ma nell'applicarli, per semplicità matematica, considereremo grandezze continue. Le reti saranno allora costituite da generatori e resistori essendo, in continua, i condensatori circuiti aperti e gli induttori cortocircuiti.
Gli stessi metodi algebrici, dopo opportune trasformazioni, sono applicabili anche in regime variabile: lo si vedrà in particolare per le grandezze alternate sinusoidali negli art. 5 e 6.
Collegamenti fondamentali tra bipoli
Serie: due bipoli si dicono in serie quando sono attraversati dalla stessa intensità di corrente. Essi in tal caso hanno in comune un terminale ed in questo punto comune non converge nient'altro. Possono essere in serie sia bipoli generatori che bipoli utilizzatori logicamente compatibili: non ha senso la serie di due generatori ideali di corrente in quanto la corrente dovrebbe assumere contemporaneamente due valori diversi. Nel disegno che segue, esempi di bipoli in serie.
Parallelo: due bipoli sono in parallelo quando sono collegati a punti che hanno lo stesso potenziale. Ai capi dei bipoli in parallelo c'è dunque la stessa differenza di potenziale. Possono essere posti in parallelo sia bipoli utilizzatori che generatori logicamente compatibili: non ha senso il parallelo di due generatori ideali di tensione in quanto la tensione ai loro capi dovrebbe assumere due valori diversi contemporaneamente.
Il collegamento di bipoli utilizzatori verrà esaminato approfonditamente nel prossimo capitolo. Nel disegno seguente esempi di bipoli in parallelo.
Principi di Kirchhoff
Prima di enunciare i teoremi fondamentali dell'elettrotecnica, è necessario avere la conoscenza di alcuni termini, che ci accompagneranno lungo tutto il percorso.
- Circuito: struttura più o meno complessa di bipoli attivi e passivi. I più semplici (reti senza biforcazioni), sono attraversati dalla stessa corrente, altri invece sono più articolati, e sono formati da più percorsi chiusi.
- Maglia: il percorso chiuso di cui si parlava: rappresenta una successione di bipoli della rete, collegati in modo da avere un percorso chiuso.
- Nodo: qualsiasi punto della rete in cui sono connessi tre o più bipoli.
- Lati: detti anche rami rappresentano le parti che collegano due nodi, e comprendono uno o più bipoli, sia attivi che passivi. Ogni lato è caratterizzato da un solo valore di corrente.
Primo principio di Kirchhoff (KCL)
Affinché il regime di correnti permanga nel tempo, non può esservi in un nodo un continuo accumulo di cariche, positive o negative. Se ci fosse, ad esempio, un accumulo continuo di carica negativa, ad un certo punto il flusso di elettroni cesserebbe per la forza di repulsione crescente esercitata dalle cariche accumulate.
Ciò significa che a una carica che arriva al nodo, ne corrisponde una che va via dallo stesso. Il che si traduce, matematicamente, nel "primo principio di Kirchhoff" (Kirchhoff's Current Law) che afferma:
In un nodo la somma algebrica delle intensità di corrente dei rami che vi confluiscono è in ogni istante nulla.

Per le grandezze continue, si scriverà, maturalmente,

Convenzionalmente si considerano positive le intensità entranti nel nodo, negative quelle uscenti, ma ovviamente nulla cambia scegliendo la convenzione opposta. Il principio può anche essere enunciato nella forma:
La somma aritmetica delle correnti entranti in un nodo è uguale alla somma aritmetica delle correnti uscenti
Se sono note tutte le correnti meno una, la KCL permette di determinarla. La KCL rappresenta dunque un vincolo per le correnti che, assieme agli altri vincoli cui esse dovranno soddisfare, sia in relazione ad altre KCL sia alla KVL illustrata nel paragrafo seguente, permetterà di calcolare tutte le correnti incognite di una rete di cui siano noti i bipoli componenti e la struttura dei collegamenti.
Mettiamo in evidenza subito un fatto che turba spesso chi è alle prime armi con la risoluzione dei circuiti elettrici. Per scrivere le equazioni sia di della KCL appena enunciata, sia della KVL, occorre stabilire i versi delle correnti. La scelta di tali versi è completamente arbitraria; la si può fare quindi lanciando la classica monetina: se viene testa si sceglie un verso, se viene croce quello opposto. Non ci si deve assolutamente preoccupare del fatto che essi siano in realtà ben determinati dal tipo di circuito. D'altra parte le correnti sono incognite, quindi non se può conoscere il verso a priori.
Al segno risultante dai calcoli si attribuirà questo semplice significato:
- se positivo, il verso scelto arbitrariamente corrisponde all'effettivo verso della corrente;
- se negativo, l'effettivo verso è contrario a quello arbitrario.
Secondo principio di Kirchhoff (KVL)
Se immaginiamo l'unità di carica compiere un percorso completo, quindi partire dal punto a potenziale A ed arrivare allo stesso punto, il lavoro totale, o equivalentemente, l'energia totale trasformata, è nulla.
Ciò significa che attraversando i bipoli utilizzatori la carica perde completamente l'energia acquistata transitando attraverso i bipoli generatori. Ricordando il significato di tensione (o differenza di potenziale), è immediato tradurre la constatazione energetica in quello che è noto come secondo principio di Kirchhoff (Kirchhoff's Voltage Law).
Esso vale per qualsiasi percorso chiuso di bipoli, anche se questo non costituisce un circuito semplice, ma fa parte di un circuito complesso (nel qual caso si parlerà di maglia). Afferma che:
In un percorso chiuso qualsiasi, la somma algebrica delle tensioni ai capi dei bipoli che lo costituiscono è nulla in ogni istante:

che per le grandezze continue diventa ovviamente

Per esplicitare l'equazione cui esso dà luogo si procede in questo modo.
Scelti arbitrariamente un verso di percorrenza (v.p.) della maglia, orario od antiorario, e le polarità delle tensioni dei rami, o dei singoli bipoli costituenti i rami, si considerano positive le tensioni che in base al verso di percorrenza presentano prima il " − ", e poi il " + ".
Nella figura è mostrata l'equazione sia in riferimento ai rami completi, sia evidenziando la composizione di un ramo, quello di tensione V2, costituito da due generatori ideali ed un resistore e per il quale si sceglie, arbitrariamente la corrente I. Le polarità dei generatori ideali sono imposte, la polarità del resistore dipende dal verso della corrente che lo percorre: il + è il terminale in cui la corrente entra.
Come si vede, cambiando il verso di percorrenza si modificano i segni di tutti i termini: l'equazione pertanto è la stessa.
Modificare il segno di un termine significa cambiare la convenzione scelta arbitrariamente per rappresentare la polarità della tensione incognita.
Come ogni equazione, il principio è un vincolo per le tensioni dei bipoli interessati. Da solo consente di determinare una tensione incognita note che siano tutte le altre, ad esempio V2 se sono note V1,V3 e V4. Ovviamente se è noto il bipolo di cui si è calcolata la tensione incognita, si può calcolarne la corrente. Nel caso della precedente figura, ad esempio, si avrà:

Consiglio l'interessante lettura di questa discussione, dove, oltre a un semplice esercizio, è spiegata una curiosità storica sul nome, o meglio sulla numerazione dei due principi di Kirchhoff. In particolare dal [15] anche un documento originale postato dal G.Master EY RenzoDF
Tensione tra due punti
Consideriamo la maglia in figura:
Ipotizziamo di applicare il la KVL a questo circuito e scriviamola nel seguente modo:

ma R4I4 altro non è che la tensione tra i punti D ed A, VDA = VD − VA, quindi possiamo scrivere:

Quindi possiamo calcolare la tensione tra due punti qualsiasi di una rete, scegliendo un percorso qualsiasi che vada dal primo punto (A nel nostro caso, cioè il potenziale sottraendo della differenza di potenziale) al secondo (D nel caso dell'esempio, cioè il potenziale minuendo) e sommare algebricamente le tensioni sui vari bipoli, secondo le regole convenzionali appena viste:
- considerare positive le forze elettromotrici quando entriamo dal " − " e usciamo dal " + ";
- considerare negative le cadute di tensione sui resistori.
In alcune trattazioni questa prende il nome di legge di Ohm generalizzata.
Legge di Ohm per un circuito chiuso
Consideriamo un circuito elementare, costituito da una sola maglia, dove tutti i bipoli, (attivi e passivi) si trovano ad essere in serie tra loro:
Possiamo scrivere il seguente enunciato: Fissato arbitrariamente un verso per la corrente, la sua intensità è data dal rapporto tra la somma algebrica delle forze elettromotrici e la somma aritmetica delle resistenze:

Nel caso del circuito di figura

in pratica il segno delle f.e.m. è positivo se il verso prefissato arbitrariamente per la corrente esce dal terminale positivo, negativo in caso contrario. Il segno che si otterrà per la corrente sarà positivo se il verso fissato è quello reale nel circuito, negativo in caso contrario.
Generatori Reali
Erano stati precedentemente introdotti due bipoli ideali rispettivamente il generatore ideale di tensione quello ideale di corrente. La parola ideale fa ben pensare che un generatore reale avrà una rappresentazione diversa, che dovrà tener conto delle perdite dovute a fenomeni dissipativi di tipo elettrico, ad esempio negli avvolgimenti dei trasformatori, o meccanico, se pensiamo agli attriti negli alternatori.
Bisogna anche tener a mente che nella realtà non esiste un generatore elettrico che sia solo di tensione o solo di corrente, in quanto un generatore deve erogare potenza, che esiste solo se esistono entrambe.
L'utilizzo dell'una o dell'altra rappresentazione, dipende da quale delle due è più comoda, o se si vuol mettere in evidenza la dipendenza dell'una dall'altra.
Generatore reale di tensione
Osserviamo il circuito in fugura:
Il suo bipolo rappresentativo è un generatore ideale di tensione con in serie Ri che rappresenta la resistenza interna del generatore reale, e tiene conto dei fenomeni dissipativi dello stesso.
Applicando la KVL alla maglia, ed esplicitando V, tensione ai capi del carico:

Significa che la tensione disponibile effettivamente al carico è minore della f.e.m. E, e che dipende dalla caduta di potenziale interna del generatore, che a sua volta dipende dalla corrente circolante nel circuito. Analizziamo due condizioni estreme:
Funzionamento a vuoto
- Nel funzionamento a vuoto, non circolando corrente, la tensione ai morsetti è pari alla f.e.m. del generatore:

- Risultato che si raggiunge ponendo I=0 nella (1).
Funzionamento in corto circuito
- Nel funzionamento in cortocircuito, il generatore è per l'appunto cortocircuitato, la corrente è massima (corrente di cortocircuito Icc) e vale:

- Risultato che si raggiunge ponendo V=0 nella (1).
Risulta interessante adesso tracciare la caratteristica esterna del generatore reale, la quale, intersecando la caratteristica esterna del carico (che per il momento è una semplice resistenza), ci fornisce il punto di lavoro:
Per le potenze si ha:
- Potenza erogata o utile:

- Potenza persa per effetto joule:

- Potenza generata:

Si definisce rendimento elettrico del generatore il rapporto tra la potenza utile e quella generata:

Per approfondire: Esempio 1
Generatore reale di corrente
Rappresentato da un generatore ideale di corrente con in parallelo la resistenza interna Ri. L'equazione al nodo risulta:

dove risulta che:

ricaviamo infine la corrente nel circuito:

Quanto scritto ci dice che la corrente che attraversa l'utilizzatore sarà minore della corrente totale che il generatore è in grado di erogare.
Funzionamento a vuoto
- Nel funzionamento a vuoto, la tensione ai morsetti è la massima disponibile:

- Risultato che si raggiunge ponendo I=0 nella (2).
Funzionamento in corto circuito
- Nel funzionamento in cortocircuito, si annulla la corrente circolante nella resistenza interna, e tutta la I0 è disponibile al carico:

- Risultato che si raggiunge ponendo V=0 nella (2).
La caratteristica esterna del generatore, analogamente a prima, intersecata con la retta di carico, fornisce il punto di lavoro:
Valutiamo adesso il bilancio delle potenze:
- Potenza erogata o utile:

- Potenza persa per effetto joule:

- Potenza generata:

Si definisce rendimento elettrico del generatore il rapporto tra la potenza utile e quella generata:

Analisi delle potenze al variare del carico esterno
Considerando un generatore ideale di tensione (si potrebbe fare lo stesso discorso per uno di corrente), riportiamo su un grafico normalizzato, i valori delle potenza nel circuito al variare della corrente:
La massima potenza in uscita si ha per:

ovvero quando il rendimento è del 50%, ed è un quarto della Pcc. Tale condizione si ha quando il resistore alimentato ha un valore pari alla resistenza interna del generatore:

ed è detta condizione di adattamento. E' una condizione che si cerca di ottenere per generatori di segnale, dove la potenza è piccola. In tale condizione la tensione ai capi dell'utilizzatore risulta:

da cui la potenza disponibile, che sarà massima e pari a:

Quando invece si ha a che fare con generatori di potenza, il rendimento più alto possibile è l'esigenza predominante. Questo si ottiene per correnti molto inferiori alla Icc. Generalmente si definisce per il generatore una corrente nominale, IN, che è l'intensità per cui esso è dimensionato, è cioè la massima corrente erogabile per un tempo illimitato. Per i generatori di potenza la Icc è molto maggiore di IN (qualche decina a volte centinaia di volte) e distruggerebbe in brevissimo tempo il generatore, se non fosse protetto.
Applicazione dei principi di Kirchhoff
In un rete composta di l rami ed n nodi (qui da intendersi come punti di confluenza di almeno tre rami), i due principi consentono di scrivere l equazioni indipendenti:
- si scelgono n-1 nodi, ai quali si scrive il primo principio di Kirchhoff delle correnti, ottenendo così le equazioni ai nodi;
- si scelgono l-(n-1) maglie, alle quali ci si riferisce per scrivere il secondo principio di Kirchhoff delle tensioni, ottenendo le equazioni alle maglie;
- si ottiene un sistema di l equazioni, la cui risoluzione ci fornisce le l correnti incognite.
Con equazioni indipendenti si intende che nessuna delle equazioni è ricavabile dalle altre con artifici matematici.
- Nota.
- Un metodo per individuare maglie che diano luogo ad equazioni indipendenti è il seguente.
- Partendo dalla rete originaria, si sceglie una maglia, quindi se ne elimina un ramo. Si sceglie quindi una nuova maglia nella nuova rete e se ne toglie di nuovo un ramo. Si prosegue in questo modo fino a quando rimane un insieme di rami che connette tutti i nodi, senza alcuna maglia (è chiamato albero della rete; l'insieme dei rami eliminati è detto coalbero).
- Nella figura che segue è illustrato il procedimento. Della rete è indicato il grafo, cioè non è indicata la composizione dei rami, ma ogni ramo è rappresentato da un segmento. Le maglie considerate ad ogni passaggio sono costituite dai rami in rosso; il ramo eliminato appare in blu tratteggiato. Nel caso dalla figura le maglie sono 5.
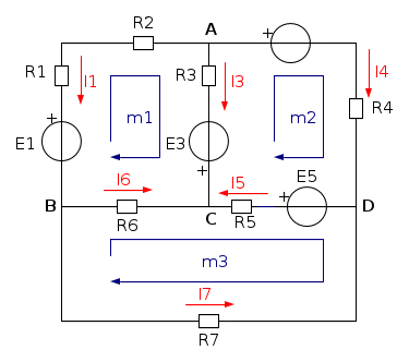
Data la definizione, è necessario un esempio:
Scriviamo le equazioni rispettivamente ai nodi A, B e D:

e alle maglie m1, m2 e m3:

Risolvendo il sistema di sei equazioni in sei incognite, è possibile calcolare le intensità di corrente nei rami.
Soffermiamoci un attimo sul caso in cui sia presente un generatore ideale di corrente.
Tale generatore sappiamo imporre la corrente in tutti i bipoli del ramo collegati in serie tra loro.
Avremo quindi una corrente in meno tra le incognite, ma comparirà come incognita la tensione ai capi del generatore di tensione.
Quindi nel complesso il numero delle incognite rimane invariato. Un metodo efficace è il seguente:
in presenza di p lati contenenti generatori di corrente con corrente impressa nota, si considerano come incognite l-p correnti, riducendo così il numero di equazioni alle maglie, l'importante è che nella scelta delle maglie, non si passi dai rami contenenti i generatori ideali di corrente.
Cercare di risolvere un circuito molto complesso con i p.d.K. può risultare molto laborioso dato l'elevato numero di equazioni di cui è composto il sistema.
Nella pratica allora si preferisce ricorrere a degli artifici matematici che riducono il numero delle equazioni: il metodo delle correnti di maglia, con il quale il numero di equazioni è pari al numero delle maglie, ed il metodo dei potenziali di nodo dove il numero di equazioni è uguale ad n-1, con n numero di nodi.
Esercizi
Una serie di esercizi sui principi di Kirchhoff scelti dal forum: Esercizio 1, Esercizio 2, Esercizio 3, Esercizio 4.
Il metodo delle correnti di maglia di Maxwell
Ogni maglia è caratterizzata da un'unica corrente detta corrente di maglia, come fosse un circuito semplice. Le intensità effettive dei rami o coincidono con la corrente di maglia, quando il ramo è esclusivo di quella maglia, o sono la somma algebrica delle correnti di maglia che hanno quel ramo in comune. Si scrive quindi il secondo principio di Kirchhoff per le maglie indipendenti come di seguito indicato.
- si scelgono l-n+1 maglie indipendenti adiacenti tra loro;
- si suppone ogni maglia interessata da una corrente Ji, come se fosse un circuito semplice serie. Tali correnti non sono reali, ma fittizie;
- si stabilisce un verso di percorrenza delle maglie, coincidente possibilmente con il verso della corrente ciclica;
- si scrivono le l-n+1 equazioni alle maglie, le cui incognite saranno le Ji;
- si risale alle correnti reali, attraverso la somma algebrica delle correnti che interessano il lato.
Facciamo un esempio:
Prendendo in considerazione la prima maglia partendo da sinistra, osserviamo che il primo lato, quello contenente E1 in serie a R1, è percorso esclusivamente da J1, mentre il resistore R5 è percorso, nel verso scelto, dalla differenza J1-J2:

nella maglia centrale, i lati che contengono E2 e E3 sono percorsi dalla sola J2, per quel che riguarda R5 questa volta, secondo il verso scelto avremo la differenza J2-J1, mentre per R6 la differenza J2-J3; l'equazione relativa a questa maglia quindi risulta:

ci resta solo l'ultima maglia sulla sinistra, nella quale risulta: nel lato contenente E4 e R4 circola la sola J3, mentre R6 è percorsa dalla differenza J3-J2:

Abbiamo un sistema di 3 equazioni in 3 incognite, piuttosto che uno da 6 equazioni e 6 incogite. Trovate le correnti fittizie, non ci resta che trovare i legami che vi sono tra queste e le correnti reali di ogni lato:

Una regola mnemonica aiuta a scrivere il sistema di equazioni.
- Preventivamente:
- alla corrente di eventuali generatori di corrente (corrente impressa), si assegna un percorso arbitrario e, nei rami scelti, s farà comparire una forza elettromotrice, pari al prodotto della resistenza totale del ramo per la corrente impressa, con il terminale positivo nel punto di ingresso della corrente.
- si scelgono le l-(n-1) maglie indipendenti.
- Per ogni maglia si sceglie lo stesso verso di percorrenza, ad esempio orario.
- Ogni equazione di maglia ha allora la struttura seguente:
- al primo membro la corrente della maglia considerata ha come coefficiente la somma delle resistenze di tutti i rami; le altre correnti di maglia vi compaiono avendo come coefficiente la resistenza serie del ramo che hanno in comune (se non c'è alcun ramo in comune, cioè se le maglie non sono adiacenti, il coefficiente è nullo e la corrente incognita non compare nell'equazione). Al secondo membro compare la somma algebrica delle forze elettromotrici, prese con il segno "+" se il verso di percorrenza esce dal terminale positivo; "-" in caso contrario.
- le correnti reali saranno infine la somma algebrica delle correnti di maglia e dell'eventuale corrente impressa nel ramo.
Ecco un esercizio d'esempio.
Esercizi
Esercizio 1, Esercizio 2, Esercizio 3, Esercizio 4, Esercizio 5
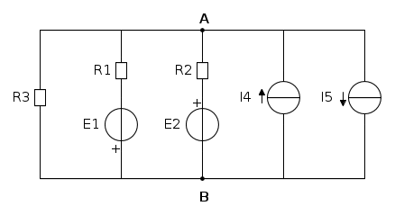
Metodo dei potenziali di nodo
Si assumono come incognite del sistema i potenziali dei nodi. In funzione di essi vanno espresse le intensità di corrente dei rami, quindi si scrive, per queste espressioni rappresentative delle correnti, il primo principio di Kirchhoff per gli n-1 nodi. All'n-esimo nodo, per il quale non va scritta l'equazione, si assegna un valore arbitrario del potenziale, comunemente zero. Procedendo in tal modo si arriva a riconoscere una struttura tipica, comune ad ogni equazione. Prima di riconoscere tale struttura proviamo a ricavare le equazioni per ispezione del circuito:
Dobbiamo adesso effettuare una trasformazione di bipoli attivi di tipo serie, con i loro equivalenti parallelo (niente paura, approfondiremo nel prossimo capitolo tale equivalenza):
con:

Applichiamo adesso il primo principio ai nodi A e B:

Come da schema, abbiamo scelto il nodo C come riferimento (Vc=0), quindi possiamo scrivere le correnti come:





e andando a sostituire nel sistema precedentemente scritto otteniamo:

che scritta meglio risulta:

Quindi abbiamo ottenuto un sistema le cui incognite sono i potenziali ai nodi A e B, noti i quali è immediata la risoluzione del circuito. Avevamo anticipato una struttura tipica di queste equazioni, in modo da ricavarle attraverso una semplice regola mnemonica, in modo da non dover ogni volta effettuare tutti i passaggi:
- a primo membro, considerando i lati che confluiscono nel nodo in esame, vanno riportati le correnti di corto circuito GiEi relativi ai generatori di tensione e le correnti I0i relative ai generatori di corrente. Il segno dipende da come è orientato il morsetto del generatore: positivo se il " + " del generatore di tensione, o il verso del generatore di corrente, è orientato verso il nodo in esame; negativo in caso contrario;
- a secondo membro il prodotto tra il potenziale del nodo in esame e la somma delle conduttanze che fanno capo al nodo in questione;
- sempre a secondo membro, con segno negativo, il prodotto tra il potenziale dell'altro nodo (o degli altri nodi) con la conduttanza dei lati di collegamento tra i nodi.
Se un ramo è costituito da un generatore ideale di corrente va ricordato che la sua conduttanza è nulla, mentre se è costituito da un generatore ideale di tensione ha una conduttanza infinita. In quest'ultimo caso se i rami costituiti dal generatore ideale hanno in comune un terminale, si pone a zero il potenziale di questo nodo ed i potenziali degli altri nodi si ricavano dalla definizione di generatore ideale di tensione. Se non hanno un terminale comune bisogna applicare il metodo nella sua formulazione originaria assumendo come incognite, oltre ai potenziali dei nodi, anche le correnti dei generatori ideali di tensione.
Esercizi
Esercizio 1, Esercizio 2, Esercizio 3, Esercizio 4, Esercizio 5
Teorema di Millman
Caso particolare del metodo dei potenziali di nodo, molto importante in quanto riferibile ad uno schema che spesso si riscontra nella pratica, è il teorema di Millmann che si applica alle reti binodali e che, con una formula, consente di trovare subito la tensione tra i due nodi. La differenza di potenziale tra A e B, i due nodi delle rete, è data dal rapporto tra:
- la somma algebrica delle correnti di cortocircuito dei rami e delle correnti dei generatori di corrente, prese con il segno + se dirette verso A;
- la somma aritmetica delle conduttanze dei rami.

Facciamo un esempio:
Assumiamo il potenziale del nodo B come riferimento (VB=0) e scriviamo l'equazione al nodo A:

da cui, ricavando VA:

ma il potenziale di A, essendo VB=0, coincide con la differenza di potenziale VAB:

Da qui è ovvio ricavare le correnti nei vari lati. Allo stesso risultato saremmo ovviamente giunti applicando direttamente il teorema, senza ripassare per il metodo dei potenziali ai nodi. Qui un esempio numerico
Approfondimenti ed esercizi
Un post, dove il solito RenzoDF stupisce il forum, tra documenti originali e interessanti considerazioni personali:
Un'estensione del teorema a reti trinodali e non solo:
- Teorema di Renzo D. F. by RenzoDF
e ovviamente gli esercizi scelti dal forum:
Ed ecco un ulteriore contributo del nostro grande RenzoDF su come regolarsi per calcolare la
Conclusioni
I due principi di Kirchhoff forniscono le equazioni per risolvere una qualsiasi rete composta con i bipoli fondamentali. Ne abbiamo esaminato l'uso nel caso di grandezze continue: è questa una limitazione esclusivamente di tipo matematico.
Per comprendere meglio quanto fondamentali e generali siano i procedimenti di calcolo esposti, accenniamo al metodo adottato per lo studio di grandezze comunque variabili nel tempo, che sarà sviluppato, in particolare, per le grandezze alternate sinusoidali (art. 5 e 6).
La funzione che esprime la dipendenza dal tempo dei generatori è trasformata in una funzione di una variabile generalmente indicata con s. Ai bipoli accumulatori sono associate le espressioni: sL per gli induttori, 1/sC per i condensatori, mentre i resistori mantengono immutata la resistenza R. Si parla in tal caso di impedenze operatoriali ed esse svolgono matematicamente, nelle reti in cui sono inserite, il ruolo visto per le resistenze nell'applicazione in continua dei principi di Kirchhoff. Le correnti dei rami che si ricavano dalla soluzione dei sistemi algebrici, conseguenti all'applicazione dei due principi, sono a loro volta funzioni della variabile s e, dall' espressione in funzione di s, è possibile ricavare le informazioni sul loro andamento nel tempo.
Quanto detto non ha la pretesa di affermare che si tratta di una semplice formalità. La matematica necessaria è certamente molto ardua, ma la sostanza di un procedimento acquisito in quello che è un caso particolare, rimane immutata.

Elettrotecnica e non solo (admin)
Un gatto tra gli elettroni (IsidoroKZ)
Esperienza e simulazioni (g.schgor)
Moleskine di un idraulico (RenzoDF)
Il Blog di ElectroYou (webmaster)
Idee microcontrollate (TardoFreak)
PICcoli grandi PICMicro (Paolino)
Il blog elettrico di carloc (carloc)
DirtEYblooog (dirtydeeds)
Di tutto... un po' (jordan20)
AK47 (lillo)
Esperienze elettroniche (marco438)
Telecomunicazioni musicali (clavicordo)
Automazione ed Elettronica (gustavo)
Direttive per la sicurezza (ErnestoCappelletti)
EYnfo dall'Alaska (mir)
Apriamo il quadro! (attilio)
H7-25 (asdf)
Passione Elettrica (massimob)
Elettroni a spasso (guidob)
Bloguerra (guerra)
















